Thống kê sáng chế theo loại lĩnh vực
Thống kê sáng chế theo năm
Tra cứu sáng chế & Giải pháp hữu ích
Kiểm tra trùng lặp
| STT | Loại hình | Số đơn | Lĩnh vực | Sáng chế | Chủ đơn | Địa chỉ | Hình ảnh | Ngày công bố | Trạng thái đơn |
|---|---|---|---|---|---|---|---|---|---|
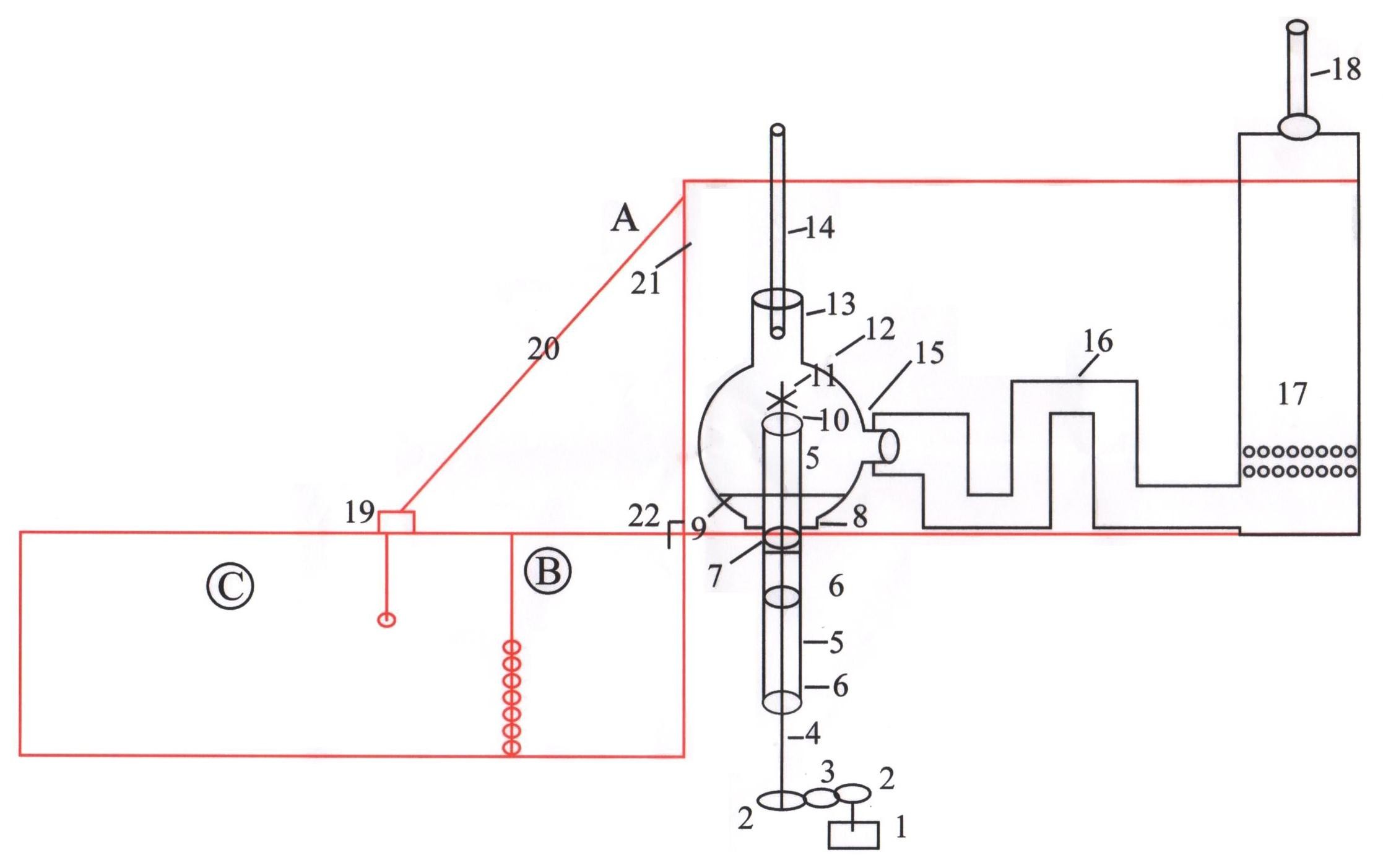
| 61 | sáng chế | 2-2017-00398 | Không được phân loại | Hệ thống xử lý khói, bụi của lò đốt rác thải rắn | Công ty TNHH một thành viên Rác Y tế Thành Công | 5/27 Tán Kế, phường 3, thành phố Bến Tre, tỉnh Bến Tre |
|
25/06/2019 |
Chờ duyệt CV
|
| 62 | sáng chế | 1-2017-05393 | Hóa học | Nhang trừ muỗi sinh học | Ngô Song Đào | ấp An Thới, xã Phước Hiệp, huyện Mỏ Cày Nam, tỉnh Bến Tre. | No image | 26/02/2018 |
Đã cập nhật Bản mô tả
|
| 63 | giải pháp hữu ích | 2-2017-00315 | Kỹ thuật điện | Ống bọc dùng cho đường dây điện trung thế | Công ty điện lực Vĩnh Long | Số 26 Hoàng Thái Hiếu, phường 1, thành phố Vĩnh Long, tỉnh Vĩnh Long | No image | 25/01/2018 |
Từ chối cấp VBBH
|
| 64 | sáng chế | 1-2017-03663 | Kỹ thuật cơ khí | Hệ thống tuyển, rửa và khai thác cát (cải tiến) | DOANH NGHIỆP TƯ NHÂN TÂN HIỆP PHÁT II | Số 54B Nguyễn Du, phường 1, thành phố Vĩnh Long, tỉnh Vĩnh Long |
|
27/11/2017 |
Đã công bố
|
| 65 | sáng chế | 1-2016-01404 | Kỹ thuật cơ khí | Máy hút đa năng | Nguyễn Hoàng Nam | ấp Mé Láng, xã Ngũ Lạc, huyện Duyên Hải, tỉnh Trà Vinh | No image | 25/10/2017 |
Từ chối cấp VBBH
|
| 66 | sáng chế | 1-2016-01343 | Kỹ thuật cơ khí | Căn hộ sử dụng năng lượng sạch | Nguyễn Hoàng Nam | ấp Mé Láng, xã Ngũ Lạc, huyện Duyên Hải, tỉnh Trà Vinh | No image | 25/10/2017 |
Từ chối cấp VBBH
|
| 67 | sáng chế | 1-2016-00313 | Kỹ thuật cơ khí | Máy rang cốm | Thạch Hùng | ấp Sà Vần A, xã Ngọc Biên, huyện Trà Cú, tỉnh Trà Vinh | No image | 25/07/2017 |
Từ chối cấp VBBH
|
| 68 | sáng chế | 1-2016-03779 | Hóa học | Khuôn đợi in litô âm bản, quy trình sản xuất khuôn đợi in litô âm bản này và chất quét gốc tự do | Công ty cổ phần Mỹ Lan (Mylan Group) | Đường Vành đai, KCN Long Đức, xã Long Đức, TP. Trà Vinh, tỉnh Trà Vinh | No image | 25/07/2017 |
Từ chối cấp VBBH
|
| 69 | sáng chế | 2-2015-00429 | Không được phân loại | Phương pháp kết hợp các loại cây trồng và phương pháp kết hợp trồng cây lương thực, cây công nghiệp, cây lâm nghiệp và dược liệu cho các quỹ đất xã hội, đất ven kênh, ven biển, đất trồng rừng, đồi trọc, khu công nghiệp và khu dân cư | Trần Văn Vinh | 101 ấp 4, xã Bình Hòa, huyện Giồng Trôm, tỉnh Bến Tre | No image | 26/06/2017 |
Từ chối cấp VBBH
|
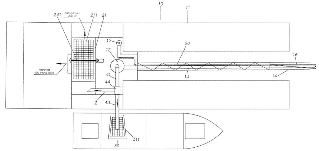
| 70 | sáng chế | 2-2015-00071 | Kỹ thuật cơ khí | Thiết bị xe chỉ xơ dừa tám trục bố trí theo phương dọc | Lê Văn Liêm | ấp Tân Lập, xã Tân Hội, huyện Mỏ Cày Nam, tỉnh Bến Tre. |
|
25/10/2016 |
Từ chối cấp VBBH
|