Thống kê sáng chế theo loại lĩnh vực
Thống kê sáng chế theo năm
Tra cứu sáng chế & Giải pháp hữu ích
Kiểm tra trùng lặp
| STT | Loại hình | Số đơn | Lĩnh vực | Sáng chế | Chủ đơn | Địa chỉ | Hình ảnh | Ngày công bố | Trạng thái đơn |
|---|---|---|---|---|---|---|---|---|---|
| 81 | sáng chế | 1-2014-00414 | Hóa học | Màng cán | MYLAN GROUP (Công ty Cổ phần Mỹ Lan) | Đường vành đai, KCN Long Đức, xã Long Đức, TP. Trà Vinh, tỉnh Trà Vinh |
|
25/04/2014 |
Đã công bố
|
| 82 | sáng chế | 1-2014-00413 | Hóa học | Cụm kết dính, khóa và đồ chơi chứa cụm kết dính này | MYLAN GROUP (Công ty Cổ phần Mỹ Lan) | Đường vành đai, KCN Long Đức, xã Long Đức, TP. Trà Vinh, tỉnh Trà Vinh |
|
25/04/2014 |
Đã công bố
|
| 83 | sáng chế | 1-2013-03562 | Hóa học | Cụm kết dính, khóa và đồ chơi chứa cụm kết dính này | MYLAN GROUP (Công ty Cổ phần Mỹ Lan) | Đường vành đai, KCN Long Đức, xã Long Đức, TP. Trà Vinh, tỉnh Trà Vinh |
|
25/04/2014 |
Đã công bố
|
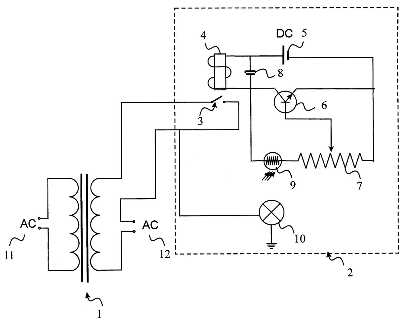
| 84 | giải pháp hữu ích | 2-2016-00028 | Kỹ thuật điện | Biến áp cách ly chống giật và rò rỉ điện | Lý Văn Phi | Khóm 1, phường 2, thị xã Duyên Hải, Trà Vinh |
|
25/04/2014 |
Đã công bố
|
| 85 | sáng chế | 1-2012-02544 | Kỹ thuật cơ khí | Hệ thống bơm có trợ lực | Tăng Nhật Thành | ấp Giồng Thành, xã Nhị Trường, huyện Cầu Ngang, tỉnh Trà Vinh | No image | 25/03/2014 |
Từ chối cấp VBBH
|
| 86 | giải pháp hữu ích | 2-2010-00281 | Kỹ thuật cơ khí | Thiết bị sấy lúa | Công ty TNHH Tâm Trí | ấp Phước Trị, xã Long Toàn, huyện Duyên Hải, tỉnh Trà Vinh |
|
25/11/2013 |
Hết hạn hiệu lực VBBH
|
| 87 | sáng chế | 1-2012-02746 | Hóa học | Đế dùng cho khuôn in litô và phương pháp xử lý khuôn in litô | Công ty cổ phần Mỹ Lan | KCN Long Đức, xã Long Đức, TP. Trà Vinh, tỉnh Trà Vinh |
|
25/06/2013 |
Đã công bố
|
| 88 | sáng chế | 1-2011-02675 | Kỹ thuật cơ khí | Máy cắt đất làm gạch không nung đa năng | Công ty TNHH Cao Qing | C2/19A1 ấp 4, xã Bình Hưng, Bình Chánh, TP. HCM | No image | 25/04/2013 |
Từ chối cấp VBBH
|
| 89 | sáng chế | 2-2012-00259 | Hóa học | Quy trình sản xuất giống tôm thẻ chân trắng | Công ty TNHH đầu tư thủy sản Huy Thuận | 139k, khu phố 3, phường Phú Tân, thành phố Bến Tre, tỉnh Bến Tre | No image | 25/03/2013 |
Từ chối cấp VBBH
|
| 90 | sáng chế | 1-2011-03509 | Hóa học | SÁNG CHẾ - HỢP CHẤT GALOTANIC DÙNG CHO CHẾ PHẨM PHỦ KHUÔN IN LITÔ VÀ PHƯƠNG PHÁP ĐIỀU CHẾ | MYLAN GROUP | KCN Long Đức, xã Long Đức, TP. Trà Vinh, tỉnh Trà Vinh | No image | 25/10/2012 |
Đã công bố
|